Erfahrungen & Bewertungen zu Cerberus Kaminhaus GmbH
+10 Jahre Erfahrung
Original Ersatzteile mit Qualitätssiegel
Geprüfter Onlineshop
+10 Jahre Erfahrung
Haas+Sohn HSP 8 Home 445.08 Schneckenlager unten

Haas+Sohn HSP 8 Home 445.08 Schneckenlager unten

nur 262,80 €
Inhalt: 1 Stück

inkl. MwSt. zzgl. Versandkosten

Lieferzeit 3-6 Wochen


  • Persönliche Fachberatung für alle Ihre Fragen
  • Original Ersatzteil in geprüfter Qualität
  • 14 Tage Geld zurück Garantie für Ihre Bestellung

Weitere Informationen zum Produkt

  • 01007774


Haben Sie Fragen zu diesem Artikel?
Gerne stehe ich Ihnen zur Verfügung und beantworte Ihre Fragen:
Niklas Suter
(040) 28 48 48 - 210
Formular Ersatzteilanfrage
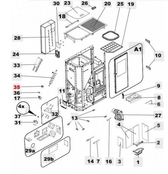
Original Schneckenlager unten für den Pelletofen Haas-Sohn HSP 8 Home 445.08... mehr
Produktinformationen "Haas+Sohn HSP 8 Home 445.08 Schneckenlager unten"

Original Schneckenlager unten für den Pelletofen Haas-Sohn HSP 8 Home 445.08

Haas-Sohn HSP 8 Home 445.08 Schneckenlager unten Eckdaten:

  • Förderschneckenlager, Lagerbuchse
  • Position 35 in der Explosionszeichnung
Ersatzteilart: Schneckenlager
Modell: HSP 8 Home
Typ: 445.08
Weiterführende Links zu "Haas+Sohn HSP 8 Home 445.08 Schneckenlager unten"
Zuletzt angesehen