Erfahrungen & Bewertungen zu Cerberus Kaminhaus GmbH
+10 Jahre Erfahrung
Original Ersatzteile mit Qualitätssiegel
Geprüfter Onlineshop
+10 Jahre Erfahrung

Olsberg Libera Zündung

nur 306,12 €
Inhalt: 1 Stück

inkl. MwSt. zzgl. Versandkosten

Lieferzeit 3-6 Wochen


  • Persönliche Fachberatung für alle Ihre Fragen
  • Original Ersatzteil in geprüfter Qualität
  • 14 Tage Geld zurück Garantie für Ihre Bestellung

Weitere Informationen zum Produkt

  • 01006246


Haben Sie Fragen zu diesem Artikel?
Gerne stehe ich Ihnen zur Verfügung und beantworte Ihre Fragen:
Niklas Suter
(040) 28 48 48 - 210
Formular Ersatzteilanfrage
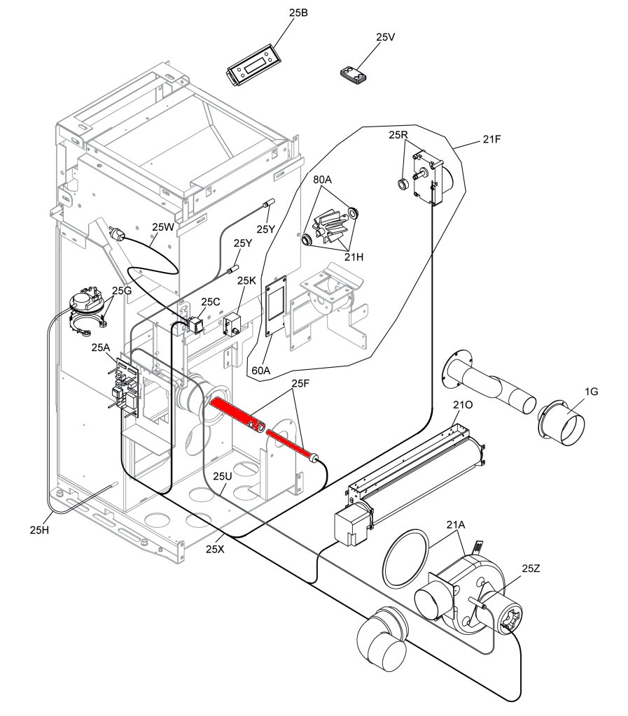
Original Zündung für den Pelletofen Olsberg Libera Olsberg Libera Zündung... mehr
Produktinformationen "Olsberg Libera Zündung"

Original Zündung für den Pelletofen Olsberg Libera

Olsberg Libera Zündung Eckdaten:

  • Zündelement, Glühstab
  • Maße (L/H) 164 mm x 25 mm
  • Material Metall
  • Position 25F in der Explosionszeichnung
Ersatzteilart: Zündung
Modell: Libera
Material: Metall
Weiterführende Links zu "Olsberg Libera Zündung"
Zuletzt angesehen